Product Description
Our customizable heavy-duty marine watertight FRP steel door is ideal for vessel safety and superstructures. It pairs a tough steel/stainless-steel frame with a waterproof, anti-corrosion FRP panel, offering great protection against water even in harsh marine settings, ensuring vessel safety.
Available in various custom sizes and designs, it fits both new builds and existing ship upgrades. Its sturdy build suits outdoor and superstructure areas exposed to tough conditions. Plus, it meets global maritime safety standards for quality assurance.
Technical Specifications

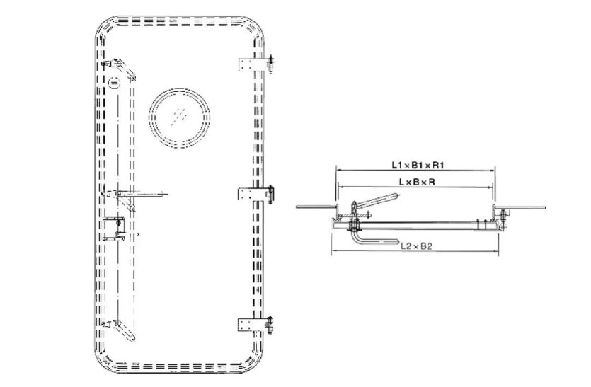
| Size of doorway LxB |
Size of B H opening L1xB1 |
External size L2xB2 |
Opening | Weight(KG) | Option |
|---|---|---|---|---|---|
| 1650x600xR100 | 1670x620xR100 | 1713×663 | LO RO |
88 | Port light Door closer Door stopper |
| 1700x700xR100 | 1720x720xR100 | 1763×763 | 95 | ||
| 1750x750xR100 | 1770x770xR100 | 1813×813 | 101 | ||
| 1800x800xR100 | 1820x820xR100 | 1863×863 | 107 |































